S60 схема

Вольво s60 генератор схема подключения. Схема блока питания телевизора philips. S60 схема. Philips 20pfl4101s/60 схема блока питания. Схема антенны вольво s60.
Вольво s60 генератор схема подключения. Схема блока питания телевизора philips. S60 схема. Philips 20pfl4101s/60 схема блока питания. Схема антенны вольво s60.
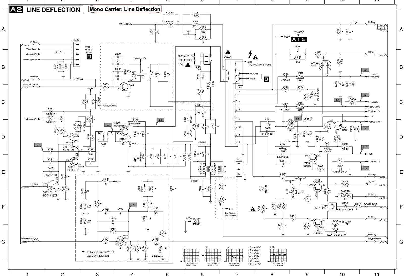
Филипс 32pfl3605/60 схема. Телевизор philips 29pt5307 29". Блок питания телевизора филипс 32pfl3605. S60 схема. Схема блока питания телевизора philips 20pf4121 58.
Филипс 32pfl3605/60 схема. Телевизор philips 29pt5307 29". Блок питания телевизора филипс 32pfl3605. S60 схема. Схема блока питания телевизора philips 20pf4121 58.
Philips 32pfl5322s/60 схема блока питания. 32pfl3188t/60 схема. Dac-12m019 aof схема. Телевизора philips электрическая схема. Tea1523p схема.
Philips 32pfl5322s/60 схема блока питания. 32pfl3188t/60 схема. Dac-12m019 aof схема. Телевизора philips электрическая схема. Tea1523p схема.
S60 схема. Схема телевизор филипс 29pt5207. 32pfl3605 60 схема блока питания. 26pfl3403s/60 блок питания. 32pfl5604/60 схема.
S60 схема. Схема телевизор филипс 29pt5207. 32pfl3605 60 схема блока питания. 26pfl3403s/60 блок питания. 32pfl5604/60 схема.
Tf-hlj60 схема. Philips 42pfl3605/60 схема блока питания. S60 схема. 19pfl3606h/60 схема. Схема блока питания телевизора филипс.
Tf-hlj60 схема. Philips 42pfl3605/60 схема блока питания. S60 схема. 19pfl3606h/60 схема. Схема блока питания телевизора филипс.
Филипс 19pfl3606h 58 схема блока питания. Схема телевизора филипс 21pt5307. 47pfl6008s/60 схема. Схема блока питания philips 42pfl5322s/60. S60 схема.
Филипс 19pfl3606h 58 схема блока питания. Схема телевизора филипс 21pt5307. 47pfl6008s/60 схема. Схема блока питания philips 42pfl5322s/60. S60 схема.
Philips 21pt1717/60 схема. Smps-single-pwb 1-982-604-12 схема. Philips 37pfl5405h/60 схема электрическая. Схема блока питания филипс 20pf4121. S60 схема.
Philips 21pt1717/60 схема. Smps-single-pwb 1-982-604-12 схема. Philips 37pfl5405h/60 схема электрическая. Схема блока питания филипс 20pf4121. S60 схема.
Philips 26pfl3403/60 схема. S60 схема. S60 схема. S60 схема. Схема дальнего света вольво s60.
Philips 26pfl3403/60 схема. S60 схема. S60 схема. S60 схема. Схема дальнего света вольво s60.
S60 схема. S60 схема. Pltvgl251xav1 схема. Philips 28pt4457. Схема блока питания телевизора philips 32pfl3605/60.
S60 схема. S60 схема. Pltvgl251xav1 схема. Philips 28pt4457. Схема блока питания телевизора philips 32pfl3605/60.
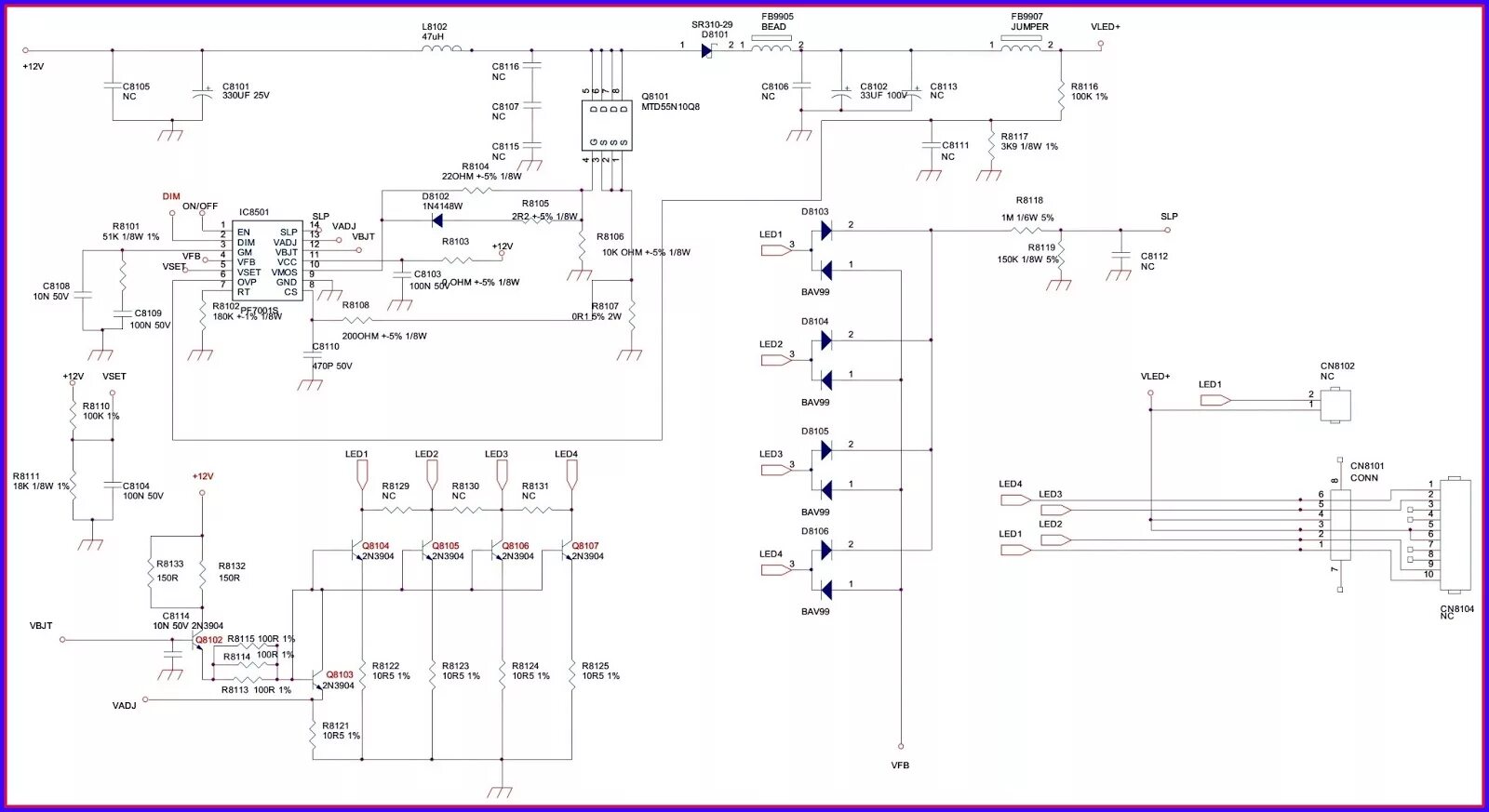
Philips 37pfl5405h/60 схема электрическая. Блок схема телевизора филипс 42. Bn96-0258 3a схема. 32pfl5405h/60 схема. Схема блока питания телевизора philips.
Philips 37pfl5405h/60 схема электрическая. Блок схема телевизора филипс 42. Bn96-0258 3a схема. 32pfl5405h/60 схема. Схема блока питания телевизора philips.
S60 схема. Tea1506 проверить. Smps single pwb 1-983-855-11 схема. Блок питания телевизора филипс 32pfl3605. S60 схема.
S60 схема. Tea1506 проверить. Smps single pwb 1-983-855-11 схема. Блок питания телевизора филипс 32pfl3605. S60 схема.
Эл схема volvo s60 2003. Схема электрическая philips. Philips 28pt4457. Схема блока питания philips 42pfl5322s/60. Телевизор philips 21pt5221s/60.
Эл схема volvo s60 2003. Схема электрическая philips. Philips 28pt4457. Схема блока питания philips 42pfl5322s/60. Телевизор philips 21pt5221s/60.
S60 схема. Схема блока питания телевизора philips. Схема блока питания филипс. S60 схема. Схема бп телевизора жк филипс 32.
S60 схема. Схема блока питания телевизора philips. Схема блока питания филипс. S60 схема. Схема бп телевизора жк филипс 32.
Philips 29pt8520/12 схема. 40-ps80g1-pwd1g схема. Tf-hlj60 схема. Philips az1830 12 схема. 1-981-623-11 smps single pwb схема.
Philips 29pt8520/12 схема. 40-ps80g1-pwd1g схема. Tf-hlj60 схема. Philips az1830 12 схема. 1-981-623-11 smps single pwb схема.
Филипс телевизор 29pt8811s/60. Шок 5706 схема. S60 схема. 19pfl5403s/60 схема. Эл схема volvo s60 2003.
Филипс телевизор 29pt8811s/60. Шок 5706 схема. S60 схема. 19pfl5403s/60 схема. Эл схема volvo s60 2003.
S60 схема. Филипс 29pt8811s 60 принципиальная схема. Схема блока питания телевизора philips. Philips 42pfl3606h блок питания. Volvo s60 схема электрооборудования.
S60 схема. Филипс 29pt8811s 60 принципиальная схема. Схема блока питания телевизора philips. Philips 42pfl3606h блок питания. Volvo s60 схема электрооборудования.
19pfl5403s/60 схема. S60 схема. Схема электрооборудования volvo s70. Филипс 32pfl3605/60 схема. Схема блока питания телевизора филипс.
19pfl5403s/60 схема. S60 схема. Схема электрооборудования volvo s70. Филипс 32pfl3605/60 схема. Схема блока питания телевизора филипс.
S60 схема. 19pfl5403s/60 схема. Схема электрооборудование вольво s80. Philips 20pfl4102s/60 схема блока питания. S60 схема.
S60 схема. 19pfl5403s/60 схема. Схема электрооборудование вольво s80. Philips 20pfl4102s/60 схема блока питания. S60 схема.
Philips 26pfl3403/60 схема. Philips 29pt5221s/60 схема. Филипс 29pt8811s 60 принципиальная схема. Philips 37pfl5405h/60 схема электрическая. Схема телевизора филипс 14рт138а/58r.
Philips 26pfl3403/60 схема. Philips 29pt5221s/60 схема. Филипс 29pt8811s 60 принципиальная схема. Philips 37pfl5405h/60 схема электрическая. Схема телевизора филипс 14рт138а/58r.
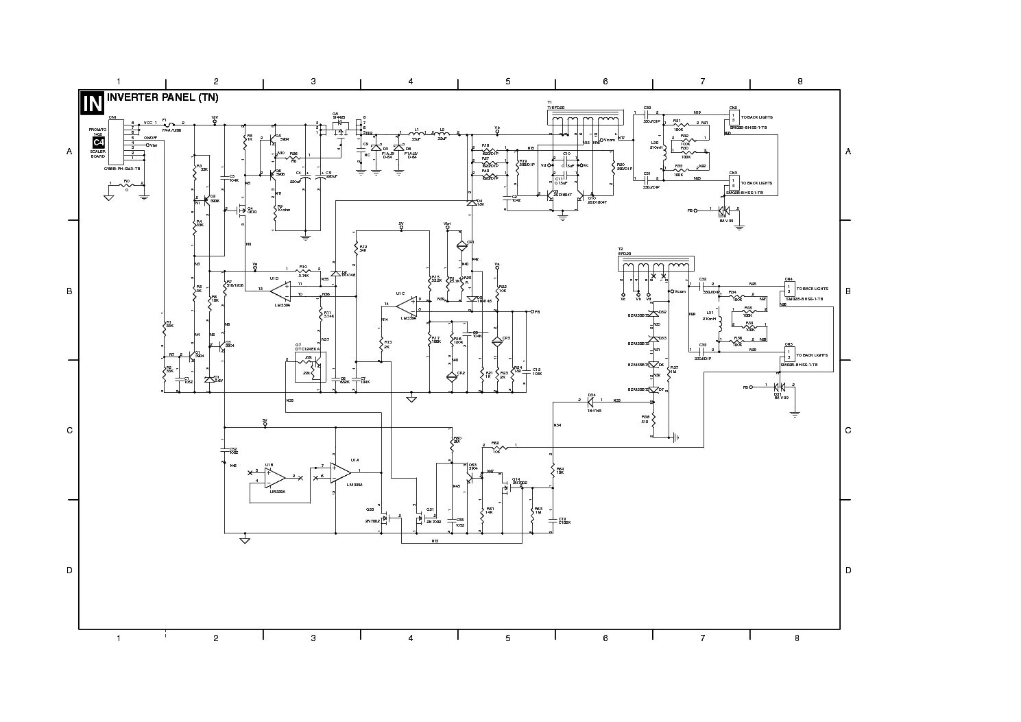
Блок-схема блока питания телевизора филипс 42pfl4606h 60. Hopestar a60 схема. Блок питания телевизора филипс 32pfl3605. S60 схема. Philips 21pt1717/60 схема.
Блок-схема блока питания телевизора филипс 42pfl4606h 60. Hopestar a60 схема. Блок питания телевизора филипс 32pfl3605. S60 схема. Philips 21pt1717/60 схема.