Кэп схема

Конвекционная печь кэп-4э схема подключения. Пкэ-50/1 схема. Схема расстоечной камеры. Пароконвектомат абат схема электрическая принципиальная. Пароконвектомат абат схема электрическая принципиальная.
Конвекционная печь кэп-4э схема подключения. Пкэ-50/1 схема. Схема расстоечной камеры. Пароконвектомат абат схема электрическая принципиальная. Пароконвектомат абат схема электрическая принципиальная.
Кэп схема. Кэп схема. Abat кэп- 10 схема принципиальная электрическая. Печь кэп -400 схематический чертеж. Кэп схема.
Кэп схема. Кэп схема. Abat кэп- 10 схема принципиальная электрическая. Печь кэп -400 схематический чертеж. Кэп схема.
Контроллер 38пка схема. Электрическая схема пароконвектомата абат пка-10. Комплектный тиристорный электропривод ктэ схема. Схема пка 10-1/1пм. Электрическая схема unox xb893.
Контроллер 38пка схема. Электрическая схема пароконвектомата абат пка-10. Комплектный тиристорный электропривод ктэ схема. Схема пка 10-1/1пм. Электрическая схема unox xb893.
Конвекционная печь кэп-4э схема подключения. Кэп схема. Пароконвектомат абат схема электрическая. Печь кэп 4 схема. Печь конвекционная abat кэп-6 эл.
Конвекционная печь кэп-4э схема подключения. Кэп схема. Пароконвектомат абат схема электрическая. Печь кэп 4 схема. Печь конвекционная abat кэп-6 эл.
Кэп схема. Электрическая печи кэп-400 схема. Электропривод мвб 2в схема электрическая. Абат кэп 6 схема. Хлебопекарная печь электрическая схема.
Кэп схема. Электрическая печи кэп-400 схема. Электропривод мвб 2в схема электрическая. Абат кэп 6 схема. Хлебопекарная печь электрическая схема.
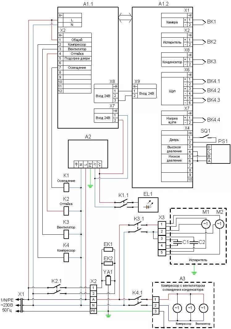
Схема. Схема подключения платы abat кэп 04. Пароконвектомат абат схема электрическая принципиальная. Кэп-12у прибор командный схема принципиальная. Кэп схема.
Схема. Схема подключения платы abat кэп 04. Пароконвектомат абат схема электрическая принципиальная. Кэп-12у прибор командный схема принципиальная. Кэп схема.
Кэп схема. Кэп схема. Схема подключения кэп-4э. Конструкция прибора кэп 12у. Кэп схема.
Кэп схема. Кэп схема. Схема подключения кэп-4э. Конструкция прибора кэп 12у. Кэп схема.
Печь кэп 10 э схема. Кэп схема. Кэп схема. Схема электрическая принципиальная пка6-1/1пм и пка10пм. Пароконвектомат абат пка 10-1/1пм2 схема принципиальная электрическая.
Печь кэп 10 э схема. Кэп схема. Кэп схема. Схема электрическая принципиальная пка6-1/1пм и пка10пм. Пароконвектомат абат пка 10-1/1пм2 схема принципиальная электрическая.
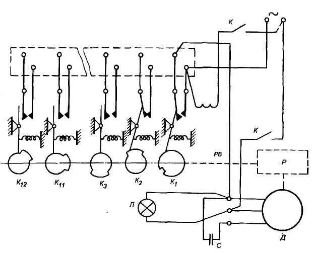
Кэп-12у прибор командный электропневматический. Схема комплектного тиристорного электропривода. Кондитерская электрическая печь кэп-400. Пароконвектомат абат пка 10-1/1пм2 схема принципиальная электрическая. Кэп схема.
Кэп-12у прибор командный электропневматический. Схема комплектного тиристорного электропривода. Кондитерская электрическая печь кэп-400. Пароконвектомат абат пка 10-1/1пм2 схема принципиальная электрическая. Кэп схема.
Тиристорный электропривод постоянного тока схема. Контроллер кэп-4-03 схема. Кэп схема. Кэп-12у схема подключения. Кэп схема.
Тиристорный электропривод постоянного тока схема. Контроллер кэп-4-03 схема. Кэп схема. Кэп-12у схема подключения. Кэп схема.
Схема подключения платы abat кэп 04. Кондитерская электрическая печь кэп-400 принцип действия. Кэп схема. Кэп схема. Кэп схема.
Схема подключения платы abat кэп 04. Кондитерская электрическая печь кэп-400 принцип действия. Кэп схема. Кэп схема. Кэп схема.
Схема конвекционной печи абат кэп-10п. Электрическая схема судовой плиты пкэ-25. Кэп схема. Абат кэп 4 схема. Кэп схема.
Схема конвекционной печи абат кэп-10п. Электрическая схема судовой плиты пкэ-25. Кэп схема. Абат кэп 4 схема. Кэп схема.
Кэп схема. Печь пкэ-9 схема электрическая. Электрическая схема печи абат кэп 10. Конвекционная печь абат кэп-4 схема. Контроллер конвекционной печи 38пка.
Кэп схема. Печь пкэ-9 схема электрическая. Электрическая схема печи абат кэп 10. Конвекционная печь абат кэп-4 схема. Контроллер конвекционной печи 38пка.
Конвекционная печь кэп-4э схема подключения. Кондитерская электрическая печь кэп-400. Схема пка 10-1/1пм. Пароконвектомат абат схема электрическая принципиальная. Кэп схема.
Конвекционная печь кэп-4э схема подключения. Кондитерская электрическая печь кэп-400. Схема пка 10-1/1пм. Пароконвектомат абат схема электрическая принципиальная. Кэп схема.
Пароконвектомат абат пка 10-1/1пм2 схема принципиальная электрическая. Схема расстоечной камеры. Кэп схема. Схема. Кэп схема.
Пароконвектомат абат пка 10-1/1пм2 схема принципиальная электрическая. Схема расстоечной камеры. Кэп схема. Схема. Кэп схема.
Кэп схема. Схема конвекционной печи абат кэп-10п. Пароконвектомат абат схема электрическая. Кэп схема. Конвекционная печь кэп-4э схема подключения.
Кэп схема. Схема конвекционной печи абат кэп-10п. Пароконвектомат абат схема электрическая. Кэп схема. Конвекционная печь кэп-4э схема подключения.
Кэп схема. Схема расстоечной камеры. Кэп схема. Комплектный тиристорный электропривод ктэ схема. Конвекционная печь кэп-4э схема подключения.
Кэп схема. Схема расстоечной камеры. Кэп схема. Комплектный тиристорный электропривод ктэ схема. Конвекционная печь кэп-4э схема подключения.
Схема пка 10-1/1пм. Печь кэп 10 э схема. Конвекционная печь абат кэп-4 схема. Схема расстоечной камеры. Электрическая схема unox xb893.
Схема пка 10-1/1пм. Печь кэп 10 э схема. Конвекционная печь абат кэп-4 схема. Схема расстоечной камеры. Электрическая схема unox xb893.
Кэп схема. Печь кэп -400 схематический чертеж. Электрическая схема печи абат кэп 10. Кэп схема. Кэп схема.
Кэп схема. Печь кэп -400 схематический чертеж. Электрическая схема печи абат кэп 10. Кэп схема. Кэп схема.
Кэп схема. Конвекционная печь кэп-4э схема подключения. Кэп схема. Кэп схема. Конструкция прибора кэп 12у.
Кэп схема. Конвекционная печь кэп-4э схема подключения. Кэп схема. Кэп схема. Конструкция прибора кэп 12у.